專業生産(chǎn)、研發設計攪拌設備(bèi)的綜合型公司      新強主頁 | 加入收藏 | 設爲主頁 | 企業郵局 當前的時間:
   

 

 

産品列表 PRODUCT

 

   攪拌機系列

頂入式攪拌機

側入式攪拌機

潛水式攪拌機

高速分散攪拌機

真空攪拌機

磁力攪拌機

刮泥機

   幹粉混合系列

V型混合機

VH高效混合機

二維混料機

三維混料機

螺帶混合機

單錐雙螺旋混料機
雙錐混料機
槽型混合機
犁刀混合機

無重力混合機

   攪拌桶(罐)系列

夾套攪拌罐

普通攪拌罐

塑料攪拌罐

真空攪拌罐

衛生級攪拌罐

   攪拌器系列

槳式攪拌器

螺帶式攪拌器

錨式攪拌器

渦輪式攪拌器

旋槳式攪拌器

   機架系列

   砂磨機系列

實驗室砂磨機

實驗室納米砂磨機

量産納米研磨機

量産卧式砂磨機

立式砂磨機
雙動力砂磨機
研磨介質

   球磨系列

立式球磨機

立式升降球磨機

卧式攪拌球磨機

卧式幹法球磨機

卧式濕法球磨機

實驗型升降球磨機
實驗型幹濕兩用球磨機
連續式球磨機
循環球磨機
震動球磨機
八角球磨機
高效超細磨
立式高效研磨機

罐磨機

            雙行星攪拌系列

實驗型行星攪拌機

生産型雙行星攪拌機

液壓擠壓出料機

乳化攪拌罐

真空均質乳化機

 
 
聯系我們 Contact us  
 
銷售一部
鄭經理 0510-88301230
手機 15852539554
QQ 1983545134
銷售二部
沈經理 15852796716
QQ 913604226
銷售三部
劉經理 18706194598
QQ 470087325
技術部 手機 18706194598
公司傳真 0510-88791377
公司郵箱 sales@wxxqjb.com
公司網站 www.dyks1314.cn
地址:無錫惠山經濟開發區前洲配套區餘浩路3号

 

産(chǎn)品中心 Product

您現在的位置:首頁-産品中心
 
 

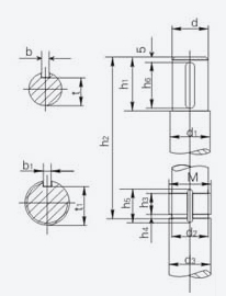
JXLD型機架(74标)

 
 
本貢架可直接與我廠的XLD型減速機10種機型聯接
 
型号标定方法示例:
 

機(jī)架高度代号Ⅰ型:普通型;

Ⅱ型:增高型

減(jiǎn)速機(jī)輸出軸軸徑(mm)

減(jiǎn)速機(jī)型号(3#-12#)

機架代号

 
 

JXLD型機架主要參數及尺寸

機架代号

減速機出軸軸徑d

攪拌軸軸端尺寸

外形及聯接尺寸

d1

M

d2

d3(K6)

h1

h2

h3

h4

h5

h6

b

b1

t

t1

H1

H2

D3

D2

D1

n1-φ1

D4

JXLD3

35

40

M45×1.5

42.8

45

60

215

10

3

16

50

10

6

30

41

291

136

230

200

170

6-12

410

JXLD4

45

50

M55×2

52

55

75

235

14

4

22

69

14

8

39.5

51

335

175

260

230

200

6-12

450

JXLD5

55

60

M65×2

62

65

75

301

14

4

22

70

16

8

49

61

404

178

340

310

270

6-13

500

JXLD6

65

70

M75×2

72

75

90

277

16

4

25

85

18

10

58

70

402

215

400

360

316

8-16

530

JXLD7

80

85

M90×2

87

90

105

316

20

4

30

100

22

12

71

84

441

230

430

390

345

8-18

565

JXLD8

90

95

M100×2

97

100

125

320

20

4

30

120

25

12

81

94

471

276

490

450

400

12-18

565

JXLD9

100

105

M110×2

107

110

125

308

20

4

31

120

28

14

90

104

496

313

580

520

455

12-22

580

JXLD10

110

115

M120×2

117

120

155

267

24

4

35

150

28

14

100

114

475

363

650

590

520

12-22

650

JXLD11

130

135

M140×2

137

140

155

301

28

4

39

150

32

14

119

132

521

375

880

800

680

12-38

880

JXLD12

180

190

M200×3

196

200

284

377

36

4

48

280

45

16

165

190

757

664

1160

1020

900

8-39

1160

 
注:圖示所注“h2”僅與本樣本XLD系列減速機相配,如選用其他型号或其他廠家減速機,“H2”需另計算,Ⅰ型爲普通型;Ⅱ型爲增高型、除H、H2尺寸加大外,其餘尺寸與Ⅰ型相同。
 
 
 

磁力攪拌器生産商,無錫新強攪拌設備有限公司專業生産供應恒溫磁力攪拌器 ,磁力加熱攪拌器,實驗室用機械攪拌器,小型化工攪拌機

銷售一部 鄭經理 0510-88301230 手機 15852539554 QQ 1983545134 銷售二部 沈經理 15852796716 QQ 913604226
銷售三部 劉經理 18706194598 QQ 470087325 技術部 手機 18706194598
公司傳真 0510-88791377 公司郵箱 sales@wxxqjb.com 公司網站 www.dyks1314.cn
地址:無錫惠山經濟開發區前洲配套區餘浩路3号